Около 65% электроэнергии в промышленности, электроэнергетике, ЖКХ и др. отраслях расходуется асинхронными электроприводами насосных и вентиляторных установок, работающих с постоянной частотой вращения. И нет ничего удивительного в том, что непрерывно растет число предприятий, рассматривающих применение электроприводов с регулируемой частотой вращения как ключ к энергосбережению, повышению рентабельности и конкурентоспособности предприятия, улучшению экологической обстановки.
Опыт индустриально развитых стран показывает, что при эффективной технической политике вопрос о том, куда направлять капиталовложения – на увеличение производства электроэнергии или на энергосбережение, в подавляющем большинстве случаев решается в пользу инвестиций в энергосбережение.
По данным консалтинговой группы ARCAdvisoryGroup (США), в 2004 году мировой рынок регулируемых электроприводов оценивался примерно в 2,5 млрд USD и в ближайшие несколько лет будет расти ежегодно на 5,3%. Предполагается, что за пять лет в индустриально развитых странах соотношение нерегулируемого и регулируемого электропривода составит 1:1. В России регулируемый электропривод составляет пока не более 2–2,5% всего рынка приводов.
Создание силовых полупроводниковых приборов с новыми свойствами и характеристиками позволило осуществлять преобразование электрической энергии в формах, наиболее удобных для ее электромеханического преобразования, что открыло широкие возможности для создания технически совершенных регулируемых электроприводов. А использование достижений микропроцессорной и компьютерной техники принципиально изменило элементную базу, функциональные возможности и «интеллект» систем управления электроприводами.
В спектре средств силовой электроники для автоматизированного электропривода с асинхронными двигателями особое место занимают высоковольтные преобразователи с регулируемой выходной частотой (ВПЧ). В парке асинхронных двигателей России значительная доля приходится на высоковольтные двигатели напряжением 6000 В, шкала мощностей которых охватывает ряд от 250 до 8000 кВт. Очевидно, что наибольший энерго- и ресурсосберегающий эффект следует ожидать при переводе в режим с регулируемой частотой вращения насосов и вентиляторов именно с такими приводными двигателями.
Например, по данным EPRI (институт электроэнергетики США), в рамках реализации программы по реконструкции 60 энергоблоков ТЭС в период с 1986 по 1995 год введены более 300 частотно-регулируемых асинхронных электроприводов мощностью от 630 до 4500 кВт напряжением 2400, 4160 и 6600 В, что обеспечило годовую экономию электроэнергии около 1 млрд кВт.ч. Помимо прямой экономии электроэнергии, применение мощных частотно-регулируемых электроприводов с ВПЧ позволило поднять мощность энергоблоков. Аналогичные работы в России были начаты в 1995 г. в ОАО «Мосэнерго» в рамках реализации программы энергосбережения. За 10 лет специалистами ОАО «ВНИИЭ» были введены 28 частотно-регулируемых асинхронных электроприводов мощностью от 500 до 4000 кВт напряжением 3300 и 6000 В. Только прямая экономия электроэнергии от внедрения этих электроприводов на ТЭЦ и насосно-перекачивающих станциях тепловых сетей превышает 100 млн кВт.ч в год.
- обеспечение электромагнитной совместимости автономного инвертора и асинхронного двигателя, что позволяет использовать стандартные двигатели практически без их разгрузки по мощности;
- оптимизация параметров высоковольтного «вентиля», состоящего из последовательно соединенных силовых полупроводниковых приборов, что особенно важно при применении приборов нового типа (IGBT, GTO, IGCT, SGCT);
- диагностика вентильного оборудования преобразователя, обеспечивающая превентивный контроль силовой схемы;
- совершенствование функций микропроцессорного контроллера;
- расширение возможностей (опций), предоставляемых заказчику для различных технологических применений высоковольтного частотно-регулируемого электропривода (насосы, вентиляторы, компрессоры, конвейеры);
- совершенствование тест-контроля элементов оборудования и выходного контроля преобразователей частоты;
- применение новых конструкционных материалов, оптоэлектроники, совершенствование системы охлаждения силовых полупроводниковых приборов;
- обеспечение электромагнитной совместимости высоковольтных преобразователей с системой электроснабжения и соответствия показателей качества электроэнергии действующим стандартам.
Как известно, частотное управление является наиболее экономичным способом плавного регулирования частоты вращения асинхронного двигателя. Он во всем диапазоне регулирования работает с малой величиной скольжения ротора (малыми потерями скольжения), сохраняет высокий коэффициент полезного действия (кпд) и хорошую «жесткость» механических характеристик, может работать в двигательном и генераторном режиме.
Наибольшее применение для широкодиапазонного регулирования частоты вращения асинхронных двигателей получили двухзвенные ВПЧ. Такие устройства преобразуют электроэнергию питающей сети в электроэнергию с требуемыми значениями напряжения, тока и частоты в два этапа. На первом с помощью выпрямителя производится преобразование тока и напряжения сети с частотой 50 Гц в постоянные ток и напряжение. На втором этапе постоянные ток и напряжение преобразуются в переменные, но уже с новыми, требуемыми для обеспечения желаемого режима работы электродвигателя значениями тока, напряжения и частоты.
Это преобразование осуществляется специальными устройствами – автономными инверторами. Автономным инвертор назван потому, что его работа не связана непосредственно с питающей сетью. Автономный инвертор может работать, например, и от аккумуляторной батареи, а не только от сетевого выпрямителя.
Несмотря на кажущуюся громоздкость такого метода преобразования, КПД двухзвенных ВПЧ оказывается весьма высоким – 96,5–98,5%. Это обусловлено эффективностью применяемых силовых полупроводниковых приборов в ключевом режиме работы.
Если автономный инвертор получает питание от источника напряжения, т.е. от источника с малым внутренним сопротивлением (аккумуляторная батарея, выпрямитель с ёмкостным фильтром), то на его выходе при переключении силовых полупроводниковых «ключей» может быть получено переменное напряжение в форме последовательности разнополярных прямоугольных импульсов. Первая гармоника такой последовательности должна соответствовать требуемому значению выходного напряжения. В этом случае для нагрузки – асинхронного электродвигателя – инвертор также является источником с малым внутренним сопротивлением, т.е. источником напряжения. Такой инвертор называется автономным инвертором напряжения (АИН).
Если инвертор получает питание от источника с большим внутренним сопротивлением – источника тока, например, сетевого вы- прямителя с индуктивным фильтром (ток в индуктивности фильтра не может изменяться скачком), то при переключении «ключей» на выходе инвертора может быть сформирован переменный ток в виде последовательности разнополярных прямоугольных импульсов тока. Первая гармоника такой последовательности должна соответствовать требуемому значению выходного тока. В этом случае для нагрузки инвертор является источником с большим внутренним сопротивлением, т. е. источником тока. Такой инвертор называется автономным инвертором тока (АИТ).
На российском рынке с начала 90-х годов прошлого века для экономичного регулирования мощных насосных и вентиляторных установок применяются различные ВПЧ с инверторами обоих типов, в основном производства западных фирм. Различия в технических решениях таких фирм, как ABB, Siemens, Allen-Bradley, Toshiba, Mitsubishi, Robicon, Ansaldo, Alstom, ESTEL, GE, Hyundai, предлагающих российским потребителям ВПЧ и стремящихся обеспечить свое присутствие на российском рынке, определяют целесообразность проведения анализа их продукции и в первую очередь применяемых автономных инверторов. Ведь в подавляющем большинстве случаев они должны сопрягаться с серийными асинхронными двигателями российского производства.
Одним из важнейших критериев при оценке эффективности автономных инверторов является обеспечение их электромагнитной совместимости со стандартными асинхронными двигателями. Являясь источником высших гармоник, они оказывают влияние как на потери в двигателе и его допустимую нагрузку, так и на изоляцию статора. Это обстоятельство является особенно важным, и его нужно учитывать при выборе типа инвертора и соответственно ВПЧ для стандартных высоковольтных асинхронных двигателей, имеющих ограниченные запасы по изоляционной прочности.
В системе «ВПЧ – асинхронный двигатель» можно использовать любой стандартный двигатель, но необходимо учитывать снижение допустимого момента вследствие дополнительных потерь из-за высших гармоник в токе автономного инвертора и ухудшения условий охлаждения самовентилируемых двигателей при работе в диапазоне регулирования частоты вращения.
Это ограничение не столь критично для частотно-регулируемых электроприводов турбомеханизмов с квадратичной характеристикой момента сопротивления, поскольку в этом случае при снижении частоты вращения активно снижается ток нагрузки двигателя.
Электрические воздействия выходного напряжения инвертора на изоляцию статора зависят от топологии АИН и АИТ и алгоритмов управления. Радикальное решение, наиболее эффективно обеспечивающее электромагнитную совместимость инвертора и электродвигателя практически без разгрузки последнего, – применение широтно-импульсной модуляции (ШИМ) при управлении инвертором. ШИМ позволяет сформировать квазисинусоидальный ток в асинхронном двигателе с суммарными нелинейными искажениями (total harmonic distortion) THD Ј 5-6%.
Хотя круг рациональных технических решений и схем ВПЧ с автономными инверторами тока и напряжения в целом определился, процесс их совершенствования непрерывно продолжается. С одной стороны, их характеристики в значительной мере определяют технико-экономические показатели электропривода в целом, с другой – существенное влияние на этот процесс оказывает появление на рынке новых компонентов. Наконец, такой немаловажный фактор, как применение компьютерного управления и специализированных микропроцессорных контроллеров, позволяет формировать новые потребительские характеристики регулируемого электропривода.
Тип силового полупроводникового прибора оказывает существенное влияние на топологию силовой схемы автономного инвертора и ВПЧ в целом. На смену инверторам тока на SCR-тиристорах (включаемых по управлению) с конденсаторной коммутацией приходят инверторы напряжения и тока на полностью управляемых (включаемых и выключаемых по управлению) GTO, IGCT и SGCT-тиристорах, а также на силовых биполярных транзисторах с изолированным затвором – IGBT.
Использование новых полупроводниковых приборов позволило принципиально изменить не только топологию силовой схемы инвертора, прежде всего АИН, но и принципы управления инверторами. Для АИН и АИТ на полностью управляемых «высоковольтных ключах» применяются различные технологии широтно-импульсной модуляции: ШИМ со «слежением» (релейного типа), программная ШИМ с избирательным подавлением высших гармоник, многоуровневая ШИМ, ШИМ в комбинации с амплитудно-импульсной модуляцией и т.п.
Подход большинства производителей к топологии автономных инверторов в ВПЧ можно свести к следующим принципиальным решениям:
- выполнение АИТ по мостовой схеме на SCR-тиристорах (включаемых по управлению и выключаемых с помощью конденсаторов);
- выполнение АИТ на полностью управляемых (включаемых и выключаемых по управлению) симметричных тиристорах (GTO, SGCT);
- выполнение АИН с тремя уровнями напряжения (3-level) и коммутацией в «звезду» (с фиксированной нулевой точкой или фиксированной нейтралью (Neutral-Point Clamped – NPC));
- выполнение АИН с четырьмя уровнями напряжения (4-level);
- выполнение АИН многоуровневым (Multi-level).
Российская схема Первыми в начале 80-х годов были созданы ВПЧ, содержащие автономные инверторы тока на SCR-тиристорах. Переключение тиристоров в таких АИТ обеспечивается введением тем или иным способом дополнительной эдс в контур коммутации. В качестве источника такой эдс в этих инверторах используют конденсаторы.
Схема на рис. 1 разработана во ВНИИЭ более 20 лет назад и является базовой для ВПЧ серии ЭТВА, применяемых в частотно-регулируемых электроприводах мощностью 630–5000 кВт, напряжением 6000 и 10 000 В. Промышленное производство таких преобразователей было освоено Таллиннским электротехническим заводом (в настоящее время фирма ESTEL). Основное ограничение этого инвертора – коммутационные пики в выходном напряжении и относительно большое содержание высших гармоник в инвертированных токе и напряжении.
Рис.1 Преобразователь частоты на основе АИТ с тиристорно-диодным узлом принудительной коммутации
Осциллограмма на рис. 2, снятая на электроприводе ЭТВА питательного насоса ТЭС, иллюстрирует формы тока в фазе и линейного напряжения статора асинхронного двигателя при частоте порядка 32 Гц.
Содержание высших гармоник в токе и напряжении для этого электропривода при частоте 50 Гц показано в табл. 1.
Рис.2 Формы тока и напряжения АИТ с принудительной коммутацией при нагрузке на асинхронный двигатель 3200 кВт, 6000 В
Следует отметить, что, несмотря на «принудительную» конденсаторную коммутацию в этой схеме АИТ, коммутационный пик напряжения формируется в два этапа. Амплитуда напряжения, прикладывающегося к статору двигателя, загруженного на 90–95%, не превосходит 1,25 амплитуды номинального линейного напряжения, что позволяет использовать серийные асинхронные двигатели с нагрузкой не более 0,9 Uном.
АИТ НА SCR-ТИРИСТОРАХ.
АМЕРИКАНСКАЯ СХЕМА
Схема АИТ на рис. 3 была предложена фирмой Ross Hill (США). Такие преобразователи выпускались также компаниями Hill Gracham, Англия (Imvar) и Ansaldo, Италия (Silcovert H). Шкала мощностей этих преобразователей 630–12500 кВт, шкала напряжений – 3300–13500 В.
Рис.3 Преобразователь частоты на основе АИТ с параллельными конденсаторами
АИТ с параллельными конденсаторами имеет достаточно «гладкие» формы выходных тока и напряжения (осциллограмма на рис. 4 снята при номинальной нагрузке электропривода 1570 кВт, 3300 В).
Рис.4 Формы тока и напряжения АИТ с параллельными конденсаторами при нагрузке на асинхронный двигатель 1570 кВт, 3300 В
Гармонический состав инвертируемых тока и напряжения для указанных выше условий приведен в табл. 2.
Коммутация в АИТ также осуществляется с помощью конденсаторов, но их роль другая – обеспечить «естественную» коммутацию тиристоров, что возможно, если выходной ток инвертора опережает выходное напряжение.
Поскольку асинхронный двигатель является активно-индуктивной нагрузкой, параллельные конденсаторы компенсируют индуктивный характер нагрузки, обеспечивая переключение тиристоров в режиме «естественной» коммутации. Однако эта компенсация возможна в определенном диапазоне частот электропривода. Обычно параллельные конденсаторы выбирают так, чтобы обеспечить опережающий фазовый сдвиг тока для диапазона выходной частоты инвертора примерно 20–50 Гц. При меньших частотах условия коммутации ухудшаются и для ее обеспечения используется узел принудительной коммутации (коммутатор).
Коммутатор обеспечивает режим «Multi-swith» (прерывание тока) от пусковых частот вплоть до частоты 20–25 Гц, закорачивая звено постоянного тока и давая тиристорам инвертора восстановить запирающие и управляющие свойства. В качестве коммутатора-прерывателя могут быть применены либо высоковольтный ключ на SCR-тиристорах с принудительной коммутацией, либо полностью управляемый ключ на включаемых и выключаемых сигналом управления симметричных тиристорах (GTO или SGCT). Для уменьшения колебаний электромагнитного момента при низких частотах электропривода ток инвертора с помощью режима «Multi-swith» можно модулировать.
При напряжении асинхронных двигателей 10 кВ и выше подобные преобразователи до сих пор не имеют конкуренции. Электроприводы на основе таких схем высоковольтных преобразователей частоты с АИТ на SCR-тиристорах до сих пор привлекают потребителей, прежде всего из-за относительно невысокой стоимости. АИТ НА GTO- И SGCT-ТИРИСТОРАХ Лидером в производстве и сбыте ВПЧ на GTO-тиристорах является фирма Allen-Bradley (Канада), с начала 90-х годов производившая серию 1557 MV с воздушным и жидкостным охлаждением тиристоров. В настоящее время преобразователи с ШИМ-АИТ производит также фирма Hyundai (Ю. Корея).
На рис. 5 приведена типичная схема ВПЧ на основе АИТ с ШИМ. Другие схемы отличаются только схемой управляемого выпрямителя. Применение ШИМ позволило получить близкие к синусоидальной формы инвертируемых тока и напряжения, поскольку конденсаторный фильтр на выходе инвертора, поглощая высокочастотные гармоники, обеспечивает формирование в двигателе квазисинусоидальных тока и напряжения.
Рис.5 Типичная схема преобразователя частоты на основе АИТ с ШИМ
Следующую модификацию ВПЧ с ШИМ-АИТ Power Flex 7000 Allen-Bradley выполнила на симметричных коммутационных тиристорах с интегрированным управлением – SGCT. Более высокая частота модуляции (440–1000 Гц по сравнению с 200–225 Гц у GTO-тиристоров) позволила еще больше приблизить формы инвертируемых тока и напряжения к синусоидальной и добиться значения THD Ј 5–5,6%. Осциллограмма на рис. 6 иллюстрирует формы тока и напряжения на выходе АИТ преобразователя Power Flex 7000 при работе на асинхронный двигатель 1250 кВт, 6000 В.
Рис.6 Формы тока и напряжения АИТ с ШИМ при полной нагрузке и номинальной частоте вращения асинхронного двигателя 1250 кВт, 6000 В
АИН 3-LEVEL
Номенклатура силовых полностью управляемых полупроводниковых приборов, применяемых в автономных инверторах напряжения современных ВПЧ, достаточно широка. Это:
- симметричные тиристоры GTO в АИН преобразователей ALPSA VDM 7000 фирмы Alstom;
- асимметричные коммутационные тиристоры с интегрированным управлением IGCT в АИН преобразователей ACS-1000 i фирмы АВВ;
- биполярные транзисторы с изолированным управляющим электродом IGBT в АИН преобразователей Simovert MV фирмы Siemens, Perfect Harmony и New Baby фирмы Robicon, Tosvert-MV фирмы Toshiba, Innovation Medium и Innovation SeriesH фирмы General Electric, Meltrac F 500 HV и Tmdrive-MV фирмы Mitsubishi Electric.
АИН в ВПЧ указанных фирм, как уже отмечалось ранее, имеют различные принципы построения силовой схемы. Рис. 7 иллюстрирует выполнение трехуровневого АИН по топологии NPC с ШИМ на IGCT.
На рис. 8 показаны осциллограммы напряжения и тока такого АИН при нагрузке на асинхронный двигатель 800 кВт, 3300 В. На выходе АИН установлен синусоидальный (LC) фильтр.
Рис.7 Преобразователь частоты на основе трехуровневого ШИМ-инвертора напряжения на IGCT
Рис.8 Формы тока и напряжения (после синусоидального фильтра) трехуровневого АИН на IGCT-тиристорах при нагрузке на асинхронный двигатель 800 кВт, 3300 В
Особенность АИН – формирование двухполярного выходного напряжения в виде прямоугольной «решетки» импульсов высокой крутизны, определяемой частотой переключения полупроводниковых приборов (IGCT, IGBT). Поэтому все АИН по NPC-топологии обязательно снабжаются LC-фильтром (синусоидальным фильтром) во избежание повреждения изоляции статора асинхронного двигателя импульсами напряжения с высоким значением du/dt (скорости нарастания).
Преобразователи на основе рассмотренного АИН (3-level) выпускаются фирмами АВВ и Siemens на мощности до 5000 кВт при напряжениях 3300 и 4160 В.
При необходимости иметь напряжение 6000 В фирма АВВ предлагает установку на выходе после LC-фильтра трансформатора, согласующего напряжение инвертора с напряжением двигателя. Фирма Siemens предлагает установку автотрансформаторного синусоидального фильтра (IHV-фильтр).
АИН 4-LEVEL
Интересное решение было найдено Alstom и General Electric. Это решение основано на четырехуровневой форме (4-level) выходного напряжения, для чего пришлось изменить топологию АИН, как показано на рис. 9. Инверторы ВПЧ ALSPA VDM 6000 Alstom выполнены на IGBT, а инверторы ВПЧ Innovation Medium GE выполнены на IGCT.
Рис.9 Преобразователь частоты на основе четырехуровневого АИН
Как видно из осциллограмм на рис. 10, форма выходного тока четырехуровневого ШИМ-инвертора практически синусоидальная, а выходное напряжение за счет большего количества ступенек имеет огибающую, близкую к синусоиде форму. Однако, как правило, и в этом случае желательна установка (правда, несколько облегченного) LC-фильтра.
Рис.10 Формы тока и напряжения четырехуровневого АИН на асинхронный двигатель 4600 кВА, 3300 В
АИН MULTI-LEVEL
Следующим шагом в улучшении формы выходного напряжения АИН, а следовательно, и условий электромагнитной совместимости с асинхронными двигателями, является выполнение их многоуровневыми (multi-level). ВПЧ с такими АИН в различных модификациях выпускают Robicon, Toshiba, Mitsubishi Electric, GE .
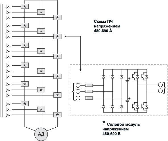
На рис. 11 приведена принципиальная схема преобразователя частоты с многоуровневым АИН.
Благодаря практически синусоидальной форме выходного напряжения (осциллограммы на рис. 12), такие ВПЧ совмещаются со стандартными общепромышленными асинхронными двигателями без установки специальных фильтров на выходе, что позволяет использовать двигатели практически без разгрузки.
Рис.11 Принципиальная схема преобразователя частоты с многоуровневым АИН
Наиболее сложным элементом ВПЧ указанных выше фирм является входной трансформатор, вторичные обмотки которого разделены на три группы – по шесть обмоток в группе. Фазовый сдвиг между напряжениями соседних обмоток при, например, эквивалентной 18-фазной схеме составляет 10 эл. градусов. При этом фазовый сдвиг, например, между первой и шестой обмотками группы – 50 эл. градусов.
Каждая обмотка трансформатора подключена к силовому модулю – ячейке Power-Cell, состоящей, как показано на рис.11, из диодного выпрямителя и однофазного IGBT-АИН с ШИМ. В случае неисправности ячейки, благодаря функции Power-Cell-Bypass, дефектная ячейка автоматически шунтируется (выводится из работы), а управление оставшимися ячейками автоматически корректируется. Это обуславливает весьма высокую живучесть ВПЧ.
Конструктивная особенность ВПЧ с многоуровневым выходным напряжением – неразъемность конструкции, т.е. отделить преобразовательную часть от трансформатора невозможно. Вторая особенность таких ВПЧ – начиная от мощности 2400 кВА при напряжении 6600 В, устанавливается, как правило, не один, а два трансформатора. Это, естественно, увеличивает габариты и массу преобразователя. Так, например, высоковольтный преобразователь Tоsvert-MV на мощность 2400–3600 кВA (6,6 кВ) имеет габариты 7800х2400х1000 мм, а массу – 13400 кг. Для сравнения: преобразователь Power Flex 7000 на мощность 2750 кВА имеет размеры 3300х2643х1000 мм, а массу – порядка 11000 кг. Габариты входного четырехобмоточного трансформатора для 18-фазного выпрямителя преобразователя Power Flex 7000 – 3048х3048х1829 мм. Таким образом, если даже устанавливать трансформатор непосредственно рядом с преобразователем, максимальная длина по фронту не превысит 6348 мм.
При этом частотный преобразователь Power Flex 7000 в отличие от преобразователей с многоуровневым выходным напряжением допускает установку входного трансформатора отдельно от преобразователя, что обеспечивает определенную гибкость его применения.
Рис.12 Формы тока и напряжения многоуровневого АИН на асинхронный двигатель 1100 кВА, 4160 В
БУДУЩЕЕ РОССИЙСКИХ РАЗРАБОТОК
Еще в 80-х годах прошлого века наша страна являлась мировым лидером в создании, промышленном освоении и внедрении ВПЧ для асинхронного электропривода. В силу всем известных причин это лидерство было утеряно, и только в настоящее время в России разворачиваются активные работы по созданию отечественных ВПЧ.
Так, на основе совместных разработок Ансальдо-ВЭИ и ВНИИЭ создана документация на серию преобразователей частоты напряжением 3300 В мощностью 630–1600 кВт для асинхронного электропривода, в основу которой положена схема, изображенная на рис. 7. Изготовлен и испытан опытный образец ВПЧ на 800 кВт, 3300 В.
ОАО «Электровыпрямитель» завершает работу по созданию ВПЧ для асинхронного электропривода напряжением 6000 В. Опытно-промышленный образец такого преобразователя в 2005 г. будет установлен в Москве на районной станции теплоснабжения для регулирования сетевого насоса. Инвертор этого ВПЧ также выполнен по схеме рис. 7, но с использованием IGBT.
Близка к завершению разработка высоковольтного преобразователя частоты в фирме «ЭЛСИЭЛ» (Москва). Совместно с фирмой ЭСТЭЛ создается преобразователь для электропривода 1250 кВт, 6000 В по схеме рис. 11. Фирмой «Электротекс» (г. Орел) изготовлен опытный образец ВПЧ для электропривода 1000 кВт, 6000 В по аналогичной схеме.
Можно прогнозировать, что уже с 2007 года в России начнется процесс активного импортозамещения ВПЧ, и хочется верить, что отечественные разработки не уступят западным по качеству и надежности.

